注意:访问本站需要Cookie和JavaScript支持!请设置您的浏览器! 打开购物车 查看留言付款方式联系我们
初中电子 单片机教材一 单片机教材二
搜索上次看见的商品或文章:
商品名、介绍 文章名、内容
首页 电子入门 学单片机 免费资源 下载中心 商品列表 象棋在线 在线绘图 加盟五一 加入收藏 设为首页
本站推荐:
LM339功能简介
文章长度[4550] 加入时间[2010/1/13] 更新时间[2026/4/30 16:09:36] 级别[44] [评论] [收藏]

LM339集成块内部装有四个独立的电压比较器,该电压比较器的特点是:

1)失调电压小,典型值为2mV;

2)电源电压范围宽,单电源为2-36V,双电源电压为±1V-±18V;

3)对比较信号源的内阻限制较宽;

4)共模范围很大,为0~(Ucc-1.5V)Vo;

5)差动输入电压范围较大,大到可以等于电源电压;

6)输出端电位可灵活方便地选用。


  LM339集成块采用C-14型封装,图1为外型及管脚排列图。由于LM339使用灵活,应用广泛,所以世界上各大IC生产厂、公司竟相推出自己的四比较器,如IR2339、ANI339、SF339等,它们的参数基本一致,可互换使用。


  LM339类似于增益不可调的运算放大器。每个比较器有两个输入端和一个输出端。两个输入端一个称为同相输入端,用“+”表示,另一个称为反相输入端,用“-”表示。用作比较两个电压时,任意一个输入端加一个固定电压做参考电压(也称为门限电平,它可选择LM339输入共模范围的任何一点),另一端加一个待比较的信号电压。当“+”端电压高于“-”端时,输出管截止,相当于输出端开路。当“-”端电压高于“+”端时,输出管饱和,相当于输出端接低电位。两个输入端电压差别大于10mV就能确保输出能从一种状态可靠地转换到另一种状态,因此,把LM339用在弱信号检测等场合是比较理想的。LM339的输出端相当于一只不接集电极电阻的晶体三极管,在使用时输出端到正电源一般须接一只电阻(称为上拉电阻,选3-15K)。选不同阻值的上拉电阻会影响输出端高电位的值。因为当输出晶体三极管截止时,它的集电极电压基本上取决于上拉电阻与负载的值。另外,各比较器的输出端允许连接在一起使用。

单限比较器电路


  图3为某仪器中过热检测保护电路。它用单电源供电,1/4LM339的反相输入端加一个固定的参考电压,它的值取决于R1于R2。UR=R2/(R1+R2)*UCC。同相端的电压就等于热敏元件Rt的电压降。当机内温度为设定值以下时,“+”端电压大于“-”端电压,Uo为高电位。当温度上升为设定值以上时,“-”端电压大于“+”端,比较器反转,Uo输出为零电位,使保护电路动作,调节R1的值可以改变门限电压,既设定温度值的大小。


迟滞比较器

  图2a给出了一个基本单限比较器。输入信号Uin,即待比较电压,它加到同相输入端,在反相输入端接一个参考电压(门限电平)Ur。当输入电压Uin>Ur时,输出为高电平UOH。图2b为其传输特性。
  迟滞比较器又可理解为加正反馈的单限比较器。前面介绍的单限比较器,如果输入信号Uin在门限值附近有微小的干扰,则输出电压就会产生相应的抖动(起伏)。在电路中引入正反馈可以克服这一缺点。
  图4a给出了一个迟滞比较器,人们所熟悉的“史密特”电路即是有迟滞的比较器。图4b为迟滞比较器的传输特性。


  不难看出,当输出状态一旦转换后,只要在跳变电压值附近的干扰不超过ΔU之值,输出电压的值就将是稳定的。但随之而来的是分辨率降低。因为对迟滞比较器来说,它不能分辨差别小于ΔU的两个输入电压值。迟滞比较器加有正反馈可以加快比较器的响应速度,这是它的一个优点。除此之外,由于迟滞比较器加的正反馈很强,远比电路中的寄生耦合强得多,故迟滞比较器还可免除由于电路寄生耦合而产生的自激振荡。
  如果需要将一个跳变点固定在某一个参考电压值上,可在正反馈电路中接入一个非线性元件,如晶体二极管,利用二极管的单向导电性,便可实现上述要求。图5为其原理图。


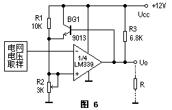
  图6为某电磁炉电路中电网过电压检测电路部分。电网电压正常时,1/4LM339的U4<2.8V,U5=2.8V,输出开路,过电压保护电路不工作,作为正反馈的射极跟随器BG1是导通的。当电网电压大于242V时,U4>2.8V,比较器翻转,输出为0V,BG1截止,U5的电压就完全决定于R1与R2的分压值,为2.7V,促使U4更大于U5,这就使翻转后的状态极为稳定,避免了过压点附近由于电网电压很小的波动而引起的不稳定的现象。由于制造了一定的回差(迟滞),在过电压保护后,电网电压要降到242-5=237V时,U4<U3,电磁炉才又开始工作。这正是我们所期望的。

双限比较器(窗口比较器)

  图7电路由两个LM339组成一个窗口比较器。当被比较的信号电压Uin位于门限电压之间时(UR1<Uin<UR2),输出为高电位(UO=UOH)。当Uin不在门限电位范围之间时,(Uin>UR2或Uin<UR1)输出为低电位(UO=UOL),窗口电压ΔU=UR2-UR1。它可用来判断输入信号电位是否位于指定门限电位之间。

用LM339组成振荡器

  图8为有1/4LM339组成的音频方波振荡器的电路。改变C1可改变输出方波的频率。本电路中,当C1=0.1uF时。f=53Hz;当C1=0.01uF时,f=530Hz;当C1=0.001uF时,f=5300Hz。
  LM339还可以组成高压数字逻辑门电路,并可直接与TTL、CMOS电路接口。

1、 本站不保证以上观点正确,就算是本站原创作品,本站也不保证内容正确。
2、如果您拥有本文版权,并且不想在本站转载,请书面通知本站立即删除并且向您公开道歉! 以上可能是本站收集或者转载的文章,本站可能没有文章中的元件或产品,如果您需要类似的商品请 点这里查看商品列表!
本站协议 | 版权信息 |  关于我们 |  本站地图 |  营业执照 |  发票说明 |  付款方式 |  联系方式
深圳市宝安区西乡五壹电子商行——粤ICP备16073394号-1;地址:深圳西乡河西四坊183号;邮编:518102
E-mail:51dz$163.com($改为@);Tel:(0755)27947428
工作时间:9:30-12:00和13:30-17:30和18:30-20:30,无人接听时可以再打手机13537585389